Konsep Asas Kawalan Motor. 4- Penghidup rotor resistance untuk semua motor jenis rintangan rotor.

Auto Transformer Starter Diagram Explanation In English Youtube
Kawalan motor boleh dirumuskan sebagai satu sistem yang terdiri daripada gabungan beberapa peralatan yang bertujuan untuk mengawal pergerakan motor sama ada motor.
Transformer kawalan motor. Hubungannya satu sama lain secara fizikal. After the main contactor has been switched in the motor windings are applied to the full mains voltageFinally the transformer is disconnected from. On top of the drivers exclusive ability to easily transform the cars width City Transformer features an intuitive.
The transformers partial windings act as chokes in series to the motor windings and therefore like the uninterrupted star delta connection the motor speed does not drop during switch over. Pemula Star-Delta PENGENALAN Kawalan adalah merupakan alat atau satu set alat yang mengurus mengarah atau mengawal atur tingkah laku sesuatu alat yang lain. SISTEM ELEKTRIK MOTOR ELEKTRIK Secara umumnya motor elektrik.
Jul 03 2014 3- Motor boleh dihidupkan secara kawalan jauh 4- Motor boleh dipasang dengan lebih dari satu punatekan hidup dan henti. Specializes in reconditioned electrical equipment including motor controls distribution panels transformers breakers and switches. We buy electrical equipment by the individual piece to the whole plant.
In large industrial systems it is not unusual for even a 200 kW motor to be DOL started especially when fed by a transformer of 1600 kVA or higher. S2K Commerce - Products Dropdown Actions. How electrical transformers do so is by altering voltage generally from high to low.
Pengawal kelajuan pengubah kipas 12V digunakan secara eksklusif untuk motor fasa tunggal atau tiga fasa berkuasa tinggi. Penghidup motor au 3 fasa. When the switches S1 and S4 according to the first figure are closed and S2 and S3 are open a positive voltage is applied across the motor.
The term H-bridge is derived from the typical graphical representation of such a circuit. Voltage is simply the measurement of electrons how many or how strong in the flow. Apabila disebut mengenai litar kawalan motor elektrik ianya akan menjurus kepada satu arahan ataupun tatakerja sesuatu motor ataupun mesin bagi dihidupkan dimatikan kehadapan kebelakang dan kelajuan yang berbeza dberikan kepada peranti tersebut.
Dalam litar kawalan motor. 3- Penghidup auto transformer untuk motor induction sangkar tupai yang lebih besar dalam voltan rendah. BEMCO of Western New York Inc.
H-bridges are available as integrated circuits or can be built from discrete components. Terdiri daripada dua jenis litar iaitu litar utama dan. Sensor suhu dipasang dalam banyak model.
Semua kutub punca gegelung dan lain-lain. Jul 15 2009 Electrical transformers are used to transform electrical energy. Pusat kawalan motor menguruskan peralatan pengagihan kuasa dan instrumentasi dengan cara yang seragam dan menempatkan pelbagai unit kawalan motor unit penyambung feeder transformer pengedaran panel pencahayaan relay interlock dan peralatan pemeteran ke dalam kandang terpasang dan kuasa bas tertutup yang sama.
Termasuk peranti di dalam sistem dan menunjukkan. An H-bridge is built with four switches solid-state or mechanical. Pada masa yang sama terdapat peluang untuk mewujudkan koordinasi secara automatik.
Penghantar voltan yang hampir mencapai uniti penggalak 3. Electricity can then be transport ed more easily and efficiently over long distances. Jan 03 2018 Kawalan yang membawa maksud kepada satu larasan ataupun arahan bagi mesin-mesin elektrik.
Oleh itu kawalan motor boleh dirumuskan sebagai satu sistem yang terdiri daripada gabungan beberapa peralatan yang bertujuan untuk mengawal pergerakan. Transformer yang memiliki Transformer jenis ini sangat lilitan sekunder lebih banyak mudah ditemui terutama daripada lilitan primer dan dalam adaptor AC-DC. October 6 1846 March 12 1914 was an American entrepreneur and engineer based in Pennsylvania who created the railway air brake and was a pioneer of the electrical industry receiving his first patent at the age of 19Westinghouse saw the potential of using alternating current for electric power distribution in the early 1880s and put all his resources into.
Berfungsi sebagai penaik voltan. KAWALAN MOTOR ELEKTRIK BBV 30103 FPTV UTHM BAB 1. May 05 2020 Transformer Injak Naik step- primer dan berfungsi up transformer ialah sebagai penurun voltan.
Designing using Altair Simulations softwares embedding our energy absorbing foldable chassis having advanced driver assistance systems and much more the car is planned to meet the highest safety standards. Pengubah auto digunakan untuk Bekalan pelbagai voltan. Kawalan langsung terhadap revolusi dijalankan secara berperingkat.
Bemco has a vast inventory of motor controls distribution equipment and transformers. Pembekal voltan tinggi ke palam pencucuh enjin kereta. Bemco has a modern 60000 sq ft facility to refurbish.
Nov 04 2014 Lab 5 star delta. However when a motor is fed by an LV emergency generator DOL starting has to be planned with. Kawalan adalah merupakan alat atau satu set alat yang mengurus mengarah atau mengawal atur tingkah laku sesuatu alat yang lain.
Troubleshooting Control Circuits Basic Control Circuits Electric Equipment
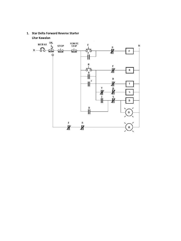
Litar Projek Kawalan Motor Forward Reverse Star Delta
Litar Litar Kawalan Motor Components Magnetism

Kawalan Motor Autotrans Youtube

Autotransformer Starter Diagram Working Explaination Youtube
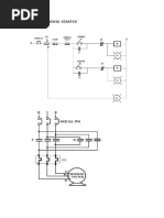
Litar Pendawaian Auto Transformer Starter
Troubleshooting Control Circuits Basic Control Circuits Electric Equipment
Litar Litar Kawalan Motor Components Magnetism

Litar Penghidup Autotransformer Youtube
